ГОСТ 18853-73
УДК 691.11.028.1:006.354 Группа Ж32
ГОСУДАРСТВЕННЫЙ СТАНДАРТ СОЮЗА ССР
Ворота деревянные распашные для
производственных зданий и сооружений
Технические условия
Swing wooden gates for industrial buildings and structures.
Specifications
Дата введения 1974-07-01
ИНФОРМАЦИОННЫЕ ДАННЫЕ
1. РАЗРАБОТАН
Всесоюзным проектным и научно-исследовательским институтом типового и экспериментального проектирования сельскохозяйственных производственных комплексов и предприятий биологической промышленности (Гипронисельхоз) Министерства сельского хозяйства СССР
Центральным научно-исследовательским и проектным институтом по планировке и застройке сельских населенных мест и жилищно-гражданскому строительству на селе (ЦНИИЭПграждансельстрой) Государственного комитета по гражданскому строительству и архитектуре при Госстрое СССР
РАЗРАБОТЧИКИ
И. М. Беркович, И. А. Колодный, Л. Н. Крейндлин (руководители темы), Н. П. Птицын, Г. В. Левушкин
ВНЕСЕН Министерством сельского хозяйства СССР
2. ВВЕДЕН ВПЕРВЫЕ
3. УТВЕРЖДЕН И ВВЕДЕН В ДЕЙСТВИЕ Постановлением Государственного комитета Совета Министров СССР по делам строительства от 29.05.73 N 79
4. ССЫЛОЧНЫЕ НОРМАТИВНО-ТЕХНИЧЕСКИЕ ДОКУМЕНТЫ
| Обозначение НТД, на которой дана ссылка | Номер пункта | Обозначение НТД, на которой дана ссылка | Номер пункта |
| ГОСТ 515-77 | 1.3 | ГОСТ 8486-86 | 2.5, 2.6 |
| ГОСТ 3916.1-89 | 2.2 | ГОСТ 9330-76 | 2.1, 2.8 |
| ГОСТ 3916.2-89 | 2.2 | ГОСТ 14918-80 | 1.3 |
| ГОСТ 4598-86 | 1.3, 2.4 | ГОСТ 15612-85 | 3.6 |
| ГОСТ 5088-94 | 2.17 | ГОСТ 15613.1-84 | 3.5 |
| ГОСТ 6009-74 | 1.3 | ГОСТ 15613.4-78 | 3.5 |
| ГОСТ 7016-82 | 2.12 | ГОСТ 16588-91 | 3.4 |
| ГОСТ 7338-90 | 1.3 | ГОСТ 17005-82 | 3.5 |
| ГОСТ 7798-70 | 2.15 | ГОСТ 24404-80 | 2.13 |
| ГОСТ 8273-75 | 1.3 |
5. ПЕРЕИЗДАНИЕ с Изменением N 1, утвержденным в апреле 1984 г. (ИУС 10-84)
Настоящий стандарт распространяется на деревянные распашные ворота для зданий и сооружений сельскохозяйственных и промышленных предприятий с размерами по ширине и высоте не более 3 м.
Стандарт не распространяется на ворота специального назначения.
(Измененная редакция, Изм. N 1).
1. Типы и размеры
1.1. Ворота деревянные распашные подразделяют на глухие и с калиткой.
Ворота состоят из левого и правого полотен.
Калитка в воротах должна быть в правом полотне.
Открывание ворот и калиток должно быть наружу, только правое, с притвором в четверть.
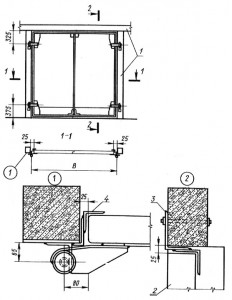
1.2. Размеры ворот должны соответствовать указанным на черт. 1 и в табл. 1.
1.3. Общий вид ворот, форма и размеры сечений деталей ворот, а также размер зазора в притворе калитки должны соответствовать указанным на четр. 2-4.
1.2, 1.3. (Измененная редакция, Изм. N 1).
Схемы ворот
Черт. 1
Таблица 1
мм
| Типоразмер
ворот |
В | Н | В1 | b | h |
| ВРГ30-30 | 2950 | 2900 | 1480 | — | — |
| ВРГ30-27 | 2950 | 2600 | 1480 | — | — |
| ВРГ24-24 | 2350 | 2300 | 1180 | — | — |
| ВРК30-30 | 2950 | 2900 | 1480 | 800 | 1800 |
| ВРК30-27 | 2950 | 2600 | 1480 | 800 | 1800 |
1.4. (Исключен, Изм. N 1).
1.5. Предельные отклонения от размеров полотен ворот, калиток и деталей каркаса указаны в табл. 2.
Таблица 2
| Наименование | Пред. откл., мм | ||
| элементов ворот | по высоте | по ширине | по толщине |
| 1. Полотна ворот | ±3 | ±3 | ±2 |
| 2. Калитки | ±2 | ±2 | ±1 |
| 3. Детали каркаса | — | ±2 | ±1 |
1.6. (Исключен, Изм. N 1).
1.7. Все размеры на чертежах приведены для неокрашенных деталей и изделий.
Общий вид ворот
Глухих
С калиткой
Сечения элементов приведены на черт. 3 и 4.
Черт. 2
1.8. Условное обозначение ворот должно состоять из букв ВР (ворота распашные), Г (глухие) или К (с калиткой), двух чисел (через тире), означающих ширину и высоту проема в дециметрах, буквы Н для неутепленных ворот и обозначения настоящего стандарта.
Пример условного обозначения ворот распашных глухих шириной 30 и высотой 27 дм:
ВРГ30-27 ГОСТ 18853-73
То же, ворот с калиткой:
ВРК30-27 ГОСТ 18853-73
То же, ворот неутепленных:
ВРК30-27 Н ГОСТ 18853-73
(Измененная редакция, Изм. N 1).
Форма и размеры сечений деталей ворот с глухими полотнами
1 — листовая техническая резина толщиной 3 мм по ГОСТ 7338;
2,3 — наружная и внутренняя обшивка; 4 — оберточная бумага по ГОСТ 8273;
5 — упаковочная битумная бумага по ГОСТ 515; 6 — ДВП по ГОСТ 4598;
7 — тонколистовая оцинкованная сталь по ГОСТ 14918;
8 — стальная лента 20х2 мм по ГОСТ 6009;
9 — нащельник
Черт. 3
Примечание. Уплотнения притворов должны выполняться с обеих сторон полотна.
Форма и размеры сечений деталей ворот с калиткой
Черт. 4
Примечание. Уплотнения притворов калитки должны выполняться в соответствии с узлом 1 на черт. 3.
2. Технические требования
2.1. Полотна ворот и калиток состоят из деревянных каркасов, обшитых с двух сторон по вертикали строгаными досками толщиной 16 мм и шириной от 50 до 120 мм, соединенными между собой по кромке в четверть или паз и гребень по ГОСТ 9330.
Ширина досок обшивки в комплекте ворот, состоящем из левого и правого полотен, должна быть одинаковой.
2.2. Допускается обшивка каркасов полотен ворот и калиток березовой фанерой марки ФСФ толщиной 6 мм не ниже сорта В/ВВ по ГОСТ 3916.1 или ГОСТ 3916.2.
Фанеру к каркасу полотен ворот крепят на клеях повышенной водостойкости и прижимают гвоздями длиной не менее 50 мм, располагаемыми на расстоянии 150-200 мм друг от друга.
На каждой стороне полотна должно быть более одного соединения листов фанеры. Соединения следует располагать на бруске каркаса.
2.3. Каркасы полотен ворот и калиток обшивают досками со стороны помещения по слою упаковочной битумной бумаги, а с наружной стороны — по слою оберточной бумаги (масса 1 кв.м бумаги не должна быть менее 70 г).
Доски обшивки крепят к каркасам полотен ворот и калиток гвоздями длиной не менее 50 мм.
2.4. Между обшивками, внутри каркаса полотен ворот и калиток укладывают утеплитель, как указано на черт. 3 и 4.
В качестве утеплителя применяют изоляционные ДВП толщиной 12 мм по ГОСТ 4598.
Допускается применение и других теплоизоляционных материалов при условии отсутствия их усадки при ударах и сотрясениях ворот.
По требованию потребителей допускается изготовление неутепленных ворот с односторонней обшивкой.
Допускается заполнение утеплителем всей воздушной полости между обшивками.
(Измененная редакция, Изм. N 1).
2.5. Детали полотен ворот и калиток должны изготовляться из пиломатериалов хвойных пород не ниже 3-го сорта по ГОСТ 8486.
На лицевых поверхностях изделий обзол не допускается.
На нелицевых поверхностях изделий обзол должен быть очищен от коры и луба.
2.6. Сучки частично сросшиеся, несросшиеся, загнившие, гнилые табачные, а также смоляные кармашки в деталях обшивки должны быть плотно (на клее повышенной водостойкости) заделаны пробками или планками, а червоточины, отщепы и выколы — синтетическими замазками.
Размеры пробок не должны превышать размеров сучков, допускаемых для пиломатериалов 3-го сорта по ГОСТ 8486.
2.7. Влажность древесины деталей полотен ворот не должна быть более 18 абс. %.
Влажность древесины заделок должна быть на 2-3 абс. % ниже влажности древесины деталей.
2.8. Детали ворот могут изготовляться клееными по сечению и длине на клеях повышенной водостойкости. Соединения по длине должны быть выполнены на зубчатый шип по ГОСТ 9330.
Прочность клеевых соединений должна быть не менее, кгс/кв.см:
на скалывание вдоль волокон …………………………………..60
на изгиб деталей, склеенных на зубчатый шип …………… 150
Предприятие-изготовитель обязано проверить прочность клеевых соединений не реже одного раза в месяц и при получении каждой новой партии клея.
2.9. Угловые соединения брусков каркасов полотен ворот и калиток должны быть выполнены на двойные открытые сквозные шипы; соединения горизонтальных и вертикальных брусков, образующих притвор калитки, — на серединный сквозный одинарный шип.
Каркасы полотен ворот и калиток собирают на клеях повышенной водостойкости с креплением нагелями.
Провесы в местах соединений брусков каркасов не должны превышать +/- 0,5 мм.
Бруски под обшивку следует крепить гвоздями к брускам каркаса.
2.10. Нащельники следует устанавливать на клеях повышенной водостойкости и прикреплять шурупами, имеющими антикоррозионное покрытие, с шагом 250 мм.
2.11. Изделия и их элементы должны иметь правильную геометрическую форму.
Отклонение от прямолинейности деталей не должно быть более 2 мм по всей длине. Отклонение от плоскостности полотен и калиток не должно быть более 3 мм по всей их поверхности.
2.12. Шероховатость лицевых поверхностей обшивки не должна быть более Rm 320 мкм, брусков каркаса — Rm 500 мкм по ГОСТ 7016.
2.13. Поверхности ворот должны иметь защитно-декоративное покрытие атмосферостойкими лакокрасочными материалами и соответствовать требованиям V класса по ГОСТ 24404. Допускается по согласованию изготовителя с потребителем поставка ворот с огрунтованными полотнами.
2.11-2.13. (Измененная редакция, Изм. N 1).
2.14. Форма и размеры металлических накладок и навесов должны соответствовать указанным на черт. 5-7.
2.15. Крепление металлических накладок и навесов к полотнам ворот должно производиться, как указано на черт. 8 и 9.
2.16. Накладки и навесы для установки их на полотна ворот должны иметь антикоррозионное покрытие. Допускается окраска их масляной краской за два раза.
2.17. Калитка должна быть навешена на две петли типа ПНЦ-130 по ГОСТ 5088. Петли устанавливают на расстоянии 200 мм от верха и низа полотна калитки.
2.18. Нижняя часть ворот должна быть защищена с обеих сторон полосами из оцинкованной стали толщиной 0,5-1,0 мм на высоту 250-300 мм.
2.19. Ворота должны поставляться предприятием-изготовителем в комплекте, состоящем из левого и правого полотен с прикрепленными к ним металлическими навесами и накладками, с навешенными на петли калитками и резиновыми уплотнителями притворов.
Детали навесов, привариваемые к закладным деталям при заполнении проемов, должны быть упакованы в тару и поставлены заказчику в комплекте с изделиями.
(Измененная редакция, Изм. N 1).
2.20. (Исключен, Изм. N 1).
2.21. Примеры установки ворот в железобетонных и кирпичных стенах приведены в приложениях 1 и 2.
(Измененная редакция, Изм. N 1).
2.22. Ворота должны быть поштучно приняты отделом технического контроля предприятия-изготовителя.
2.23. Навесы, гвозди, шурупы, болты и другие крепежные изделия должны иметь антикоррозионное покрытие.
(Введен дополнительно, Изм. N 1).
3. Правила приемки и методы испытаний
3.1. Ворота принимают партиями. Объем партии устанавливают по согласованию изготовителя с потребителем.
(Измененная редакция, Изм. N 1).
3.2. Для контрольной проверки потребителем качества ворот от каждой партии отбирают 3 % ворот, но не менее 2 шт.
Если в результате проверки ворота не будут соответствовать хотя бы одному из требований настоящего стандарта, производят поштучно приемку ворот.
3.3. Размеры, отклонения от формы проверяют с погрешностью до 1 мм металлическим измерительным инструментом; качество покрытия проверяют визуально; требования к материалам — по НТД, определяющей их качество.
(Измененная редакция, Изм. N 1).
3.4. Влажность древесины ворот определяют по ГОСТ 16588 или влагомером.
3.5. Прочность клеевых соединений ворот проверяют по ГОСТ 15613.1 и ГОСТ 15613.4, водостойкость — по ГОСТ 17005.
3.6. Шероховатость лицевых поверхностей ворот определяют по ГОСТ 15612.
3.7. (Исключен, Изм. N 1).
4. Маркировка, хранение и транспортирование
4.1. На боковой кромке каждого изделия должны быть несмываемой краской нанесены: товарный знак предприятия-изготовителя, адрес предприятия-изготовителя, условное обозначение ворот, масса и дата выпуска изделия.
(Измененная редакция, Изм. N 1).
4.2. Ворота должны быть рассортированы по маркам и храниться в закрытом складе установленными на ребро, в вертикальном положении.
4.3. При хранении и транспортировании ворот должны быть приняты меры к предохранению их от механических повреждений, увлажнения и загрязнения.
Форма и размеры стальных накладок и навесов
а) общий вид стальных накладок с навесами
1 -деталь 1; 2 -деталь 2
Примечания:
1. Стальные накладки приведены на черт. 6.
2. Детали 1 и 2 приведены на черт. 7.
Черт. 5
б) стальные накладки
Примечания:
1. Накладки выполняют из стали толщиной 8 мм.
На черт. 5 и 6 стальные накладки и навесы показаны для левого полотна ворот; для правого полотна изображение — обратно чертежу (зеркальное).
Черт. 6
в) детали навесов
Деталь 1 Деталь 2
Примечание. Деталь 1 приваривают к закладной детали колонны или стены, деталь 2 — к металлическим накладкам полотен ворот
Черт. 7
Крепление металлических накладок и навесов
а) в глухих полотнах
Черт. 8
б) в полотнах с калиткой
1 — болты М12х120 по ГОСТ 7798
Черт. 9
Приложение 1
Справочное
Пример установки ворот в проёмах с железобетонным каркасом
1 — железобетонный каркас; 2 — полотно ворот; 3 — уголок 150х100х10;
4 — уголок обрамления 45х45х5.
Приложение 2
Справочное
Пример крепления обрамления проемов ворот к кирпичной стене
1 — железобетонная перемычка по проекту; 2 — закладная деталь перемычки; 3 — деталь 1;
4 — уголок обрамления 45х45х5; 5 — закладная деталь
Деталь 1 приведена на черт. 7












